
This small laboratory power supply was basically designed and built in 1990 out of nostalgia for the use of analog ammeters and precision potentiometers, which were disappearing from laboratory power supplies at that time.
It was also designed to provide a stable supply of low-voltages of 100 mV to 5 V with high resolution due to the trend toward lower voltages in electronic circuits.
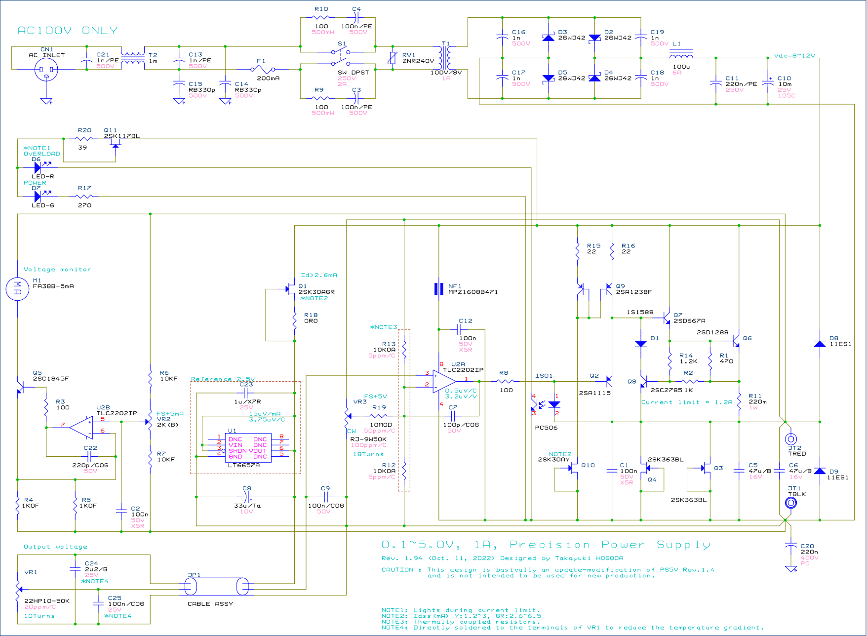
This design shown below is basically a maintenance time improvement of the PS5V Rev.1.4,
and is NOT intended to be used for new production.
Japanese edition is here.
The main modifications include:
The voltage reference U1 was replaced with the state-of-the-art LT6657A (1.5 ppm/°C), U2 with the Precision Low-Noise CMOS Operational amplifier TLC2202IP (0.5 μV/°C, 18 nV/√Hz@10Hz, 110dB PSRR).
The resistor for the voltage divider was replaced with a pair of ultra-high precision resistors PTF5610K000AZEB (0.05 %, 5 ppm/°C).
The output capacitors were changed to high capacitance MLCCs GRM32EB31C476KE15 (27 μF @ VDC = 5 V, 2.5 mΩ ESR)
If available, it might have been better to use matched pair resistors instead of ultra-high precision resistors.
Also, it might have been better to add an LDO local regulator of 7.5 V for U2.
Fig.1 : PS5V (Rev.1.95) Schematic diagram
Schematics : PS5V1R95-sch.pdf
Fig.2a : Initial voltage drift just after replacing U1 to LT6657A, at bench top (Vout = 5 V, 22 °C < Ta < 26 °C)
40 μV/div (8 ppm/div)
Although there is some initial voltage variation after soldering, the LT6657A is significantly more stable than the TL431A.
However, it is very sensitive to deflection stress, so considerable care must be taken in mounting and wiring.Fig.2b : Voltage drift after replacing U2 to TLC2202, at bench top (Vout = 5 V, 22 °C < Ta < 26 °C)
40 μV/div (8 ppm/div)
The TLC2202IP is considerably quieter and more stable compared to the TLC272CP.
Fig.2c : Voltage drift after 15 days of aging at bench top (Vout = 5 V, 22 °C < Ta < 26 °C)
20 μV/div (4 ppm/div)
The small ripples are due to the effect of the temperature control of the air conditioner.
Fig.2d : Voltage drift characteristics for 244 hours on benchtop after 54 days (1296 hours) of aging (Vout = 5 V, 21 °C < Ta < 26 °C)
50 μV/div (10 ppm/div)
To tell the truth, with the replacement of key performance components, the main cause of temperature drift now appears to be the thermal EMF (electromotive force) of the precision potentiometer contacts.
Oh, precision potentiometers, forever!
Fig.3 : LDO7V5 — High stability, Low drop-out local regulator (7.9 V ≤ Vin < 30 V, Vout = 7.5 V)
The capacitance of the compensation capacitor C25 must be in the range of 470 nF to 10 μF for stability.
Fig.4 : Line regulation (DUT = LDO7V5, Ta = 25 °C)
Line regulation < 100 μV/V (7.8 V ≤ Vin < 19.9 V, Ta = 25 °C, Iout ≤ 10 mA)
Load regulation < 100 μV/mA (7.8 V ≤ Vin < 19.9 V, Ta = 25 °C, Iout ≤ 10 mA)
If you want to use the LT6657A in series mode, you can put a low-noise preregulator, for example as shown below, at the input of the LT6657A to reduce the drift of the reference voltage output due to self-heating.
Fig.5 : Low-Noise Pre-regulator for LT6657A — REFERENCE ONLY
Note : Q2 acts as the start-up circuit. The output resistance of the FET Q1 at the operating point ≈ 1/gmOP and C1 form an LPF.
Fig.6 : Line and Load regulation (DUT = LT6657PR, Ta = 25 °C)
Table 1. Representative matched pair resistors commercially available
Maker Part number Part per
PackageResistance Package Relative
TCR
ppm/°CRelative
tolerance
%Vishay Y4485V0001AT9R 2 10k 1610 J 0.1 0.01 Analog LT5400BMPMS8E-1 4 10k 8TSSOP 0.2 0.025 Vishay Y1365V0008QT9U 4 10k 8SOIC 0.5 0.01 Vishay Y0006V0001TT9L 2 10k 3SIP 0.5 0.01 Susumu RM3216B-103/103-NWXL 2 10k 3216M 1.0 0.02 Susumu RM2012B-103/103-NWXL 2 10k 2012M 1.0 0.02 Vishay MPM2002AT1 2 10k SC-59 2.0 0.05 Analog MAX5490GC01000 2 50k SC-59 2.0 0.1 Vishay ACASN1002U1002P1AT 2 10k 0606 5.0 0.1
- Influences of Thermal Electro Motive Force to Potentiometer, Masaharu NISHIMURA, Toshio NUMAKURA, 1962 Volume 1 Issue 5 Pages 356-362 Journal of The Society of Instrument and Control Engineers



© 2000 Takayuki HOSODA.