通信線の地気障害、混触障害または通信線の片方に断線障害が存在する場合においても、遠隔制御により保守分界点で宅内装置の切離しができ、通信線障害の位置測定をできるようにする通信線切分け器を実現する。【解決手段】
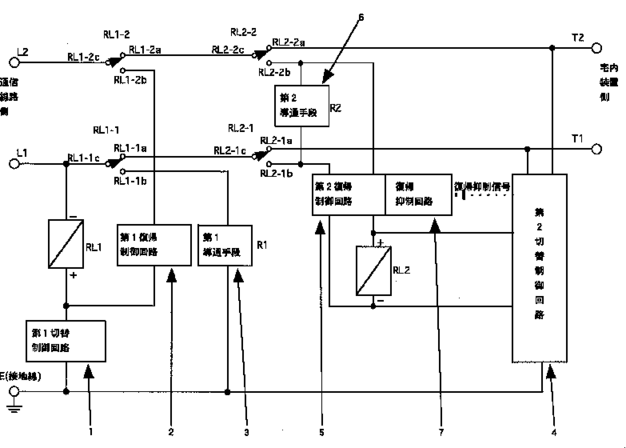
通信線と接地線間に特定の信号を印加して宅内装置の切離しを行う。この時遠隔測定による故障位置等の測定を可能とするために、通信線と接地線間、または通信線間に測定信号の導通経路を形成する。【課題を解決するための手段】
【特許請求の範囲】通信線間に短絡などの絶縁障害がある場合には、通信線間の信号を切離し制御に利用する事が出来ない。
これを解決する為に通信線と接地線間の信号を宅内装置の切離しに利用する。
この場合に於いて宅内装置を切離すと共に遠隔測定による故障位置の測定を可能とするために、通信線の片方と接地線間に測定信号の導通経路を形成する。通信線の片方とアース間の絶縁障害時には接地線と絶縁障害が生じている通信線を切離し制御に利用することできない。
これを解決するために通信線の障害が生じていない、あるいは障害の程度が軽微な方の通信線と接地線間の信号を宅内装置の切離しに利用する。
この場合に於いて宅内装置を切離すと共に遠隔測定による故障位置の測定を可能とするために、通信線間に測定信号の導通経路を形成する。
…中略…【請求項1】通信線が接続される一対の線路端子と、 宅内装置が接続される一対の宅内端子と、アースに接続 される接地端子と、一方の線路端子と接地端子との間に 測定信号の導通経路を形成する第1導通手段と、一対の 線路端子間に測定信号の導通経路を形成する第2導通手 段とを有し、前記線路端子から前記宅内端子、前記第1 導通手段または前記第2導通手段の何れか一つへ切替え 接続するスイッチ回路とを具備してなる通信線切分け器 であって、 通信線とアースとの間に印加される第1のスイッチ制御 信号又は第2のスイッチ制御信号によりそれぞれ前記第 1導通手段または前記第2導通手段を選択するように前 記スイッチ回路を動作させる切替制御回路を有し、 前記線路端子と前記宅内端子とが接続される通常状態 と、第1導通手段が選択される第1切分け状態と、第2 導通手段が選択される第2切分け状態とを切替えできる ことを特徴とする通信線切分け器。
本発明の通信線切分け器を用いることより、以下の障害原因の探索測定に対応が可能となる。
触障害時には、第1切分け状態に切替えることにより宅 内側装置、通信回線の何れに障害があるかを識別でき、 通信回線に混触障害がある場合にはブリッジ測定等によ る障害位置の遠隔測定が可能となる。
断線障害時には、第2切分け状態に切替えることにより宅内側装置、 通信回線の何れに障害があるかを識別でき、通信回線に 断線障害がある場合にはL1、L2のどちら、もしくは 両方が断線しているかを識別出来る。
地気障害時には、第2切分け状態に切替え ることにより宅内側装置、通信回線の何れに障害がある かを識別でき、通信回線に単一の地気障害がある場合に はブリッジ測定等による障害位置の遠隔測定が出来る。
以上のように、より広い範囲の故障が存在 する場合においても宅内装置を切離す事ができ、確実に 故障種別の識別が行えるようになるばかりでなく、絶縁 障害時においては遠隔操作により障害位置の探索測定が できるようになるため測定稼動を著しく低減することが でき、通信回線に障害があった場合には速やかに復旧を 行うことができる。
図3 [通信線切り分け機の使用形態と障害の説明図]
図1 [実施例構成図]
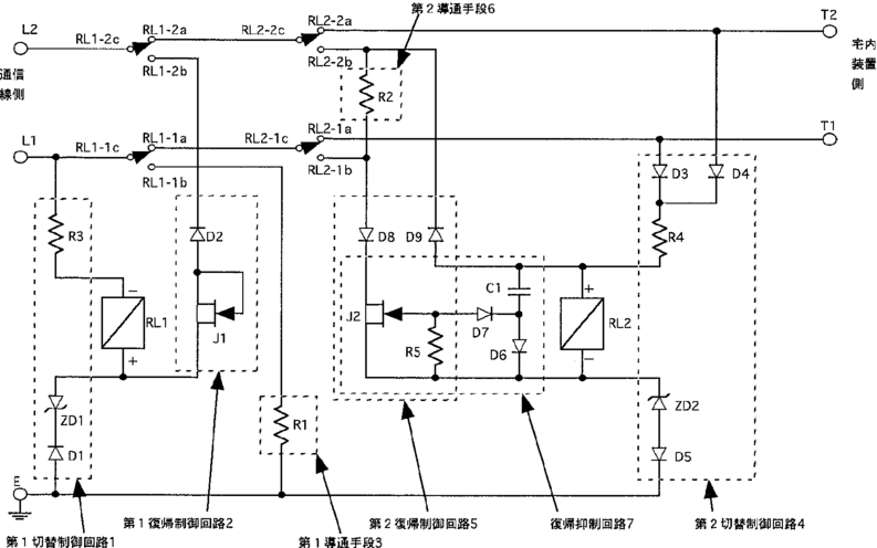
図2 [実現回路例]
特開平10-210148 通信線の切り分け器 (120kB, pdf)



© 2000 Takayuki HOSODA.
Powered by